热门搜索关键词 伺服减速机|行星齿轮减速机 |伺服行星减速机|转角行星减速机| 行星减速器 |减速机厂家
 
 
	
            
                 
        
	 
 
	 
 
一、双支撑笼式行星架构,拥有高可靠度可适应频繁正反转
二、斜齿传动,转动更平稳,更大的承载能力。
三、低回程间隙,定位更精准。
四、特殊转架结构,可以承载更大的径向力和抽向力。
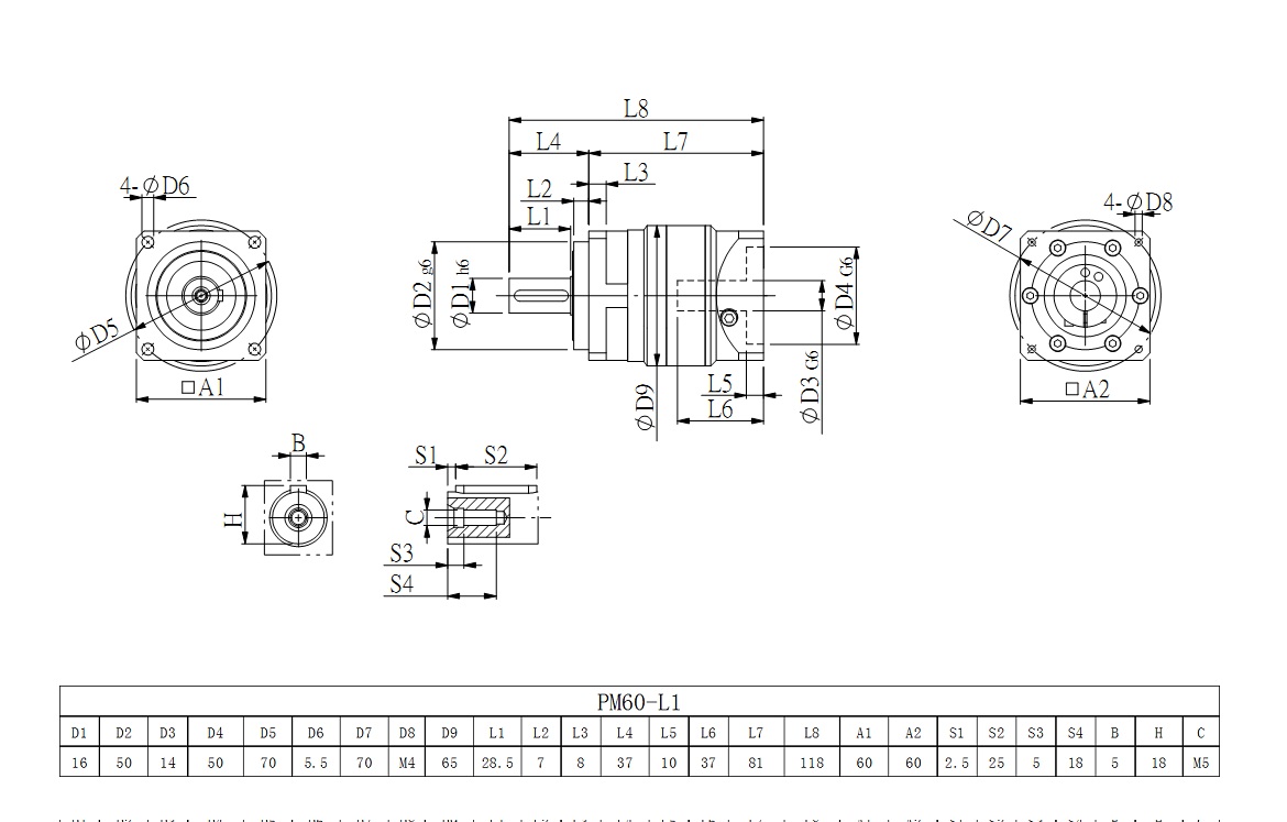
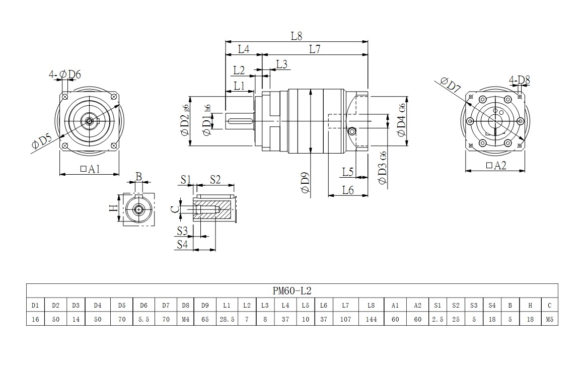
规格范围:60-80
速比范围:3-100
精度范围:1-3arcmin(p1等级)
3-5 arcmin(p2等级)
3-8arcmin(p3等级)
	
 
 
| 技术参数/规格 | PM60 | PM90 | PM120 | PM140 | PM180 | |||
| 最 大扭矩 | Nm | 1.5倍额定扭矩 | ||||||
| 紧急制动扭矩 | Nm | 2.5倍额定扭矩 | ||||||
| 最 大容许径向力 | N | 1530 | 3250 | 6700 | 9400 | 14500 | ||
| 最 大容许轴向力 | N | 630 | 1300 | 3000 | 4700 | 7250 | ||
| 抗扭刚性 | Nm/arcmin | 7 | 14 | 25 | 50 | 145 | ||
| 最 大输入转速 | rpm | 8000 | 8000 | 8000 | 6000 | 6000 | ||
| 额定输入转速 | rpm | 5000 | 4000 | 4000 | 3000 | 3000 | ||
| 噪音 | dB | ≤58 | ≤60 | ≤65 | ≤68 | ≤68 | ||
| 平均寿命 | h | 20000 | ||||||
| 满载效率 | % | L1≥95% L2≥90% | ||||||
| 回程间隙 | P0 | L1 | arcmin | ≤3 | ≤3 | ≤3 | ≤3 | ≤3 | 
| L2 | arcmin | ≤5 | ≤5 | ≤5 | ≤6 | ≤6 | ||
| P1 | L1 | arcmin | ≤6 | ≤6 | ≤6 | ≤6 | ≤6 | |
| L2 | arcmin | ≤10 | ≤10 | ≤10 | ≤10 | ≤10 | ||
| 转动惯量 | L1 | 3 | Kg.cm2 | 0.16 | 0.61 | 3.25 | 9.21 | 28.98 | 
| 4 | Kg.cm2 | 0.14 | 0.48 | 2.74 | 7.54 | 23.67 | ||
| 5 | Kg.cm2 | 0.13 | 0.47 | 2.71 | 7.42 | 23.29 | ||
| 6 | Kg.cm2 | 0.13 | 0.47 | 2.71 | 7.42 | 22.29 | ||
| 7 | Kg.cm2 | 0.13 | 0.45 | 2.62 | 7.14 | 22.48 | ||
| 8 | Kg.cm2 | 0.13 | 0.45 | 2.60 | 7.14 | 22.48 | ||
| 9 | Kg.cm2 | 0.13 | 0.42 | 2.59 | 7.08 | 22.40 | ||
| 10 | Kg.cm2 | 0.13 | 0.40 | 2.57 | 7.03 | 22.51 | ||
| L2 | 15 | Kg.cm2 | 0.13 | 0.45 | 0.45 | 2.63 | 7.30 | |
| 20 | Kg.cm2 | 0.13 | 0.45 | 0.45 | 2.63 | 7.30 | ||
| 35 | Kg.cm2 | 0.13 | 0.45 | 0.45 | 2.43 | 7.10 | ||
| 40 | Kg.cm2 | 0.13 | 0.45 | 0.45 | 2.43 | 6.92 | ||
| 50 | Kg.cm2 | 0.13 | 0.40 | 0.40 | 2.39 | 6.92 | ||
| 80 | Kg.cm2 | 0.13 | 0.40 | 0.40 | 2.39 | 6.72 | ||
| 100 | Kg.cm2 | 0.13 | 0.40 | 0.40 | 2.39 | 6.72 | ||

 
 
行星减速机,伺服行星减速机,东莞纽格尔精密行星伺服减速机厂家,德国合资技术行星减速器,品质保障、售后服务周到,厂家直供电话15989320569
 
 
| 版权所有 Copyright(C) 万彩网100线路 网站备案号: 地址:广东省东莞市黄江镇闽泰路1号101室 服务热线:400-660-1918 手机:15989320569 电话:0769-82930143 邮箱:2853006285@qq.com |