热门搜索关键词 伺服减速机|行星齿轮减速机 |伺服行星减速机|转角行星减速机| 行星减速器 |减速机厂家
 
 
	
            
                 
        
	 
 
	 
 
一、输出端螺纹连接,安装尺寸标准化,通用性强。
二、单悬臂结构,设计简洁极 具性价比。
三、精度8-16弧分,可适应大部分场合。
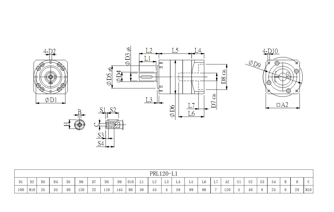
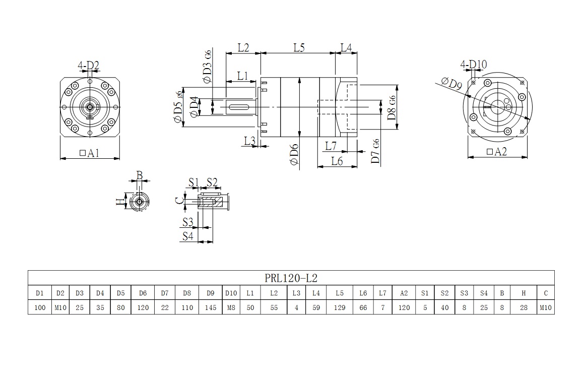
规格范围:60-120
速比范围:3-100
精度范围:8-16arcmin
	
	
	 
 
	 
 
	
 
 
| 平均寿命 | h | 20000 | ||||||||
| 满载效率 | % | L1≥96% L2≥94% | ||||||||
| 回程间隙 | P0 | L1 | arcmin | <3 | <3 | <3 | <3 | |||
| L2 | arcmin | <5 | <5 | <5 | <6 | |||||
| P1 | L1 | arcmin | <6 | <6 | <6 | <8 | ||||
| L2 | arcmin | <10 | <10 | <10 | <10 | |||||
| 转动惯量 | L1 | 3 | Kg.cm2 | 0.46 | 0.77 | 1.73 | 12.78 | |||
| 4 | Kg.cm2 | 0.46 | 0.77 | 1.73 | 12.78 | |||||
| 5 | Kg.cm2 | 0.46 | 0.77 | 1.73 | 12.78 | |||||
| 7 | Kg.cm2 | 0.41 | 0.65 | 1.42 | 11.38 | |||||
| 10 | Kg.cm2 | 0.41 | 0.65 | 1.42 | 11.38 | |||||
| L2 | 12 | Kg.cm2 | 0.44 | 0.72 | 1.49 | 12.18 | ||||
| 15 | Kg.cm2 | 0.44 | 0.72 | 1.49 | 12.18 | |||||
| 20 | Kg.cm2 | 0.44 | 0.72 | 1.49 | 12.18 | |||||
| 25 | Kg.cm2 | 0.44 | 0.72 | 1.49 | 12.18 | |||||
| 28 | Kg.cm2 | 0.44 | 0.72 | 1.49 | 12.18 | |||||
| 40 | Kg.cm2 | 0.44 | 0.72 | 1.49 | 12.18 | |||||
| 50 | Kg.cm2 | 0.34 | 0.58 | 1.25 | 11.48 | |||||
| 100 | Kg.cm2 | 0.34 | 0.58 | 1.25 | 11.48 | |||||
	
 
 
	
 
 
| 版权所有 Copyright(C) 万彩网100线路 网站备案号: 地址:广东省东莞市黄江镇闽泰路1号101室 服务热线:400-660-1918 手机:15989320569 电话:0769-82930143 邮箱:2853006285@qq.com |